简易带过流保护直流电机电源设计。
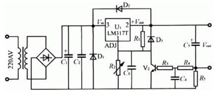
内容简介:带过流保护功能的LM317稳压电路如图1所示,集成稳压电路一般分为5部分,即交流降压电路、整流电路、滤波电路、稳压电路、保护电路。交流220V电压经电源变压器降压整流得到直流电压Vin,此电压通过滤波电路输入到集成稳压器输入端,在集成稳压器输出端可得到1.25~37V直流电压。
本文介绍了过流保护的原理,详细介绍了带过流保护直流电机电源设计方法,采用LM317集成稳压器设计的小功率直流电机电源,电路结构简单,效率高,成本低,输出电压性能好,有着很好的应用前景。
引言
目前,各种直流电源产品充斥着市场,电源技术已经比较成熟。然而,基于成本的考虑,对于电源性能要求不是很高的场合,可采用带有过流保护的集成稳压电路,同样能满足产品的要求。
过流保护电路作为电源电路中不可缺少的一个组成部分,根据其控制方法大致可以分为关断方式和限流方式,而直流电机电源较宜采用关断方式。
过流保护电路首先要有一个电流取样环节,常用做法是串联一个小电阻或者是霍尔元件来获得电流信号。由于霍尔元件体积比较大,价格昂贵,因而考虑采用串联一个小电阻的方法。
1、工作原理
带过流保护功能的LM317稳压电路如图1所示,集成稳压电路一般分为5部分,即交流降压电路、整流电路、滤波电路、稳压电路、保护电路。交流220V电压经电源变压器降压整流得到直流电压Vin,此电压通过滤波电路输入到集成稳压器输入端,在集成稳压器输出端可得到1.25~37V直流电压。工作原理图及各部分电压波形如图2所示。
下面分析保护电路的工作过程。
1.1 集成稳压器的保护
为获得较高的输出电压值,LM317稳压器的调节端与地之间的电阻R2值及其压降往往较大,在R2两端并接一个小于10μF的电容C3,可有效地抑制输出端的纹波。当输入端或输出端发生短路时,电容C3的放电将在R1上产生冲击电压,会危及稳压器的基准电压电路,因此需在R1两端并二极管D3以保护稳压器。
稳压器的输出端不加电容亦能工作,由于稳压器在1∶1的深度负反馈下工作,当输出端负载为容性的某一值时,稳压器有可能出现自激现象。因此,在稳压器的输入端接入0.1μF的电容C1,输出端接入1000μF的电解电容C5,提供足够的电流供给,同时可以防止可能发生的自激振荡以及减小高频噪声和改善负载的瞬态响应。当输入端发生短路时,C5通过稳压器的调整管放电,C5值较大,则放电时的冲击电流很大,电压会通过稳压器内部的输出晶体管放电,可能造成输出晶体管发射结反向击穿。为此,在稳压器两端并接二极管D2,输入端短路时C5通过D2放电,保护稳压器。
1.2 过流保护
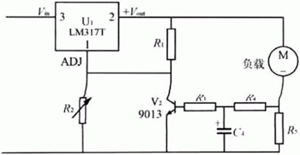
过流保护电路原理见图3,R5为取样小电阻。当电源工作时,稳压器输出端输出正向直流电压,电机开始启动。由于直流电机启动瞬时电流iout较大(约为额定电流的8~10倍),iout流过小电阻R5,并经R4对C4充电。通过设定R4、C4的值,使充电时间Υ大于电机启动时间δ,V2(9013)处于截止状态,电机启动到稳定状态后,电流恢复到工作电流。一旦电机发生短路或堵转,使电容C4两端电压达到V2的导通电压,则V2导通,强制稳压器的输出电压降为基准电压1.25V。
2、电路设计
2.1 集成稳压器的选择
在选择集成稳压器时,应该兼顾性能、使用和价格几个方面。性能指标主要根据负载电压电流的大小、调整率的高低以及工作稳定范围的宽窄来选。LM317系列由于其输出电压可调,同时其有较高的稳压精度、较高的纹波抑制比和较好的输出电压温度特性,而得到了广泛的应用。
设电源的输出总功率P0,负载额定电压U0,则输出电流额定值为I0=P0/U0,为了使电路稳定运行,还需要考虑一定的设计余量(一般取10%以上)。LM317系列稳压器主要参数如表1所列,根据计算出的电流值,选择相应的稳压器。
桥式整流滤波电路要确定整流二极管以及滤波电容值。
(1)整流二极管的选择
选择二极管要依据二极管的反向耐压VRM和正向电流IF。由于滤波电容的容量愈大,二极管导通角愈小,通过二极管脉冲电流的幅度愈大,因此,整流管的幅值电流必须加以考虑。流过整流管的平均电流ID=Ii/2,Ii=IR2+I0,IR2=IR1+Iadj≈0.01A(式中Ii为稳压器的输入电流,IR1、IR2、Iadj分别为流过R1、R2,以及调整端的电流),则ID=(0.01+I0)/2。考虑到电容充电电流的冲击,正向电流一般取平均电流的2~3倍。
二极管最大反向电压,式中U2为电源变压器次级电压有效值,Ui为整流输出电压(即稳压器输入电压)。为了保证稳压器LM317稳定运行,输入电压Ui与输出电压U0之差一般在5~15V范围,取Ui-U0=1OV,得Udmax=1.2Ui=1.2(U0+10)=12+1.2U0。设计时可考虑一定的余量。
(2)滤波电容设计
滤波电解电容C1的选择原则是:取其放电时间常数RLC1大于充电周期的3~5倍,其耐压值Uc必须大于脉动电压峰值。对于桥式整流电路来说,脉动电压峰值为2U2,C1的充电周期等于交流电源周期T的一半,即式中RL为整流后的等效负载电阻,而RL=Ui/Ii=(10+U0)/(0.0l+I0),代入式中即可确定C1值。 2.3 电源变压器设计
在串联稳压电路中,确定变压器的二次电压很重要。如果为了有富余而把二次电压做得较高,就会增加调整管的损耗,这样得相应地增大散热器。因此,要设计出性能优良的电源,变压器的参数值往往要经过多次调整。参考史献中全面地讲解了电源变压嚣设计的各个要点,本文不再赘述。这里采用近似计算的方法来确定U2和I2。
U2=Ui/1.2=0.83(10+Uo)
I2=(1.5~2)Ii=(1.5~2)×(0.01+Io)
2.4 集成稳压器电路设计
为保证稳压器在空载时也能正常工作.则流过电阻R1的电流不能太小。一般取IR1=5~10mA,故R1=VREF/IR1=1.25/(5~10)×10-3≈120~240Ω,式中VREF为稳压器基准电压。而输出电压U0与VREF、R1、R2有以下关系:
Un=VREF+(IR1+Iadj)R2=(1+R2/R1)VREF+IadjR2
(1)调节电阻R2,即可改变输出电压的大小。由于Iadj很小(只有50μA),所以式(1)可写为Uo=(1+R2/R1)VREF=1.25(1+R2/R1)
(2)由式(2)求得R2=(0.8U0-1)R1。
2.5 保护电路设计
电路中保护二极管的选择比较简单,只要能保证满足反向耐压和冲击电流这两个要求就可以了。而R3的作用主要是限制三极管的基级电流,一般取1~2kΩ。下面谈谈过流保护电路的设计。
(1)启动状态
电机启动时必须满足充电时间Υ大于启动时间δ,V2不导通,电机才能正常启动。由于启动电流很大,一般是额定电流的4~7倍,可看成不变,设为I=5I0。根据图4可知。
稳压器的最大允许功耗取决于芯片的最高结温TjM,当T求得Rθd后,通过查散热片等效热阻与材料厚度和表面积关系的有关手册,可得到表面积的范围。表2列出了几种常用封装形式的热阻。
3、实验结果
在交流供电电压220(1±10%)V,输出额定电压U0=24V,额定功率P0=15W,额定电流I0=0.625A,电机启动时间δ=50ms,允许短路时间ts=500ms,保护电流整定值Ic=2A,最高环境温度TAM=+45℃的条件下。设计出各电路参数见表3。
按表3的设计选取参数组装完毕后,经实验测定达到如下技术指标:
输出特性Un=24V,In=0~1A:
电压稳定度 Sv≤5×10-6;
负载稳定度S1≤5×10-5;
温度系数α≤1×10-5/℃。
电机能正常启动,当电机堵转时,过流保护正常起作用。
综上所述,采用LM317集成稳压器设计的小功率直流电机电源,电路结构简单,效率高,成本低,输出电压性能好,有着很好的应用前景。
转载请说明来自开云官方端网站登录入口(开云app)官方网站:/zixun/dianjibaike263.html
引言
目前,各种直流电源产品充斥着市场,电源技术已经比较成熟。然而,基于成本的考虑,对于电源性能要求不是很高的场合,可采用带有过流保护的集成稳压电路,同样能满足产品的要求。
过流保护电路作为电源电路中不可缺少的一个组成部分,根据其控制方法大致可以分为关断方式和限流方式,而直流电机电源较宜采用关断方式。
过流保护电路首先要有一个电流取样环节,常用做法是串联一个小电阻或者是霍尔元件来获得电流信号。由于霍尔元件体积比较大,价格昂贵,因而考虑采用串联一个小电阻的方法。
1、工作原理
带过流保护功能的LM317稳压电路如图1所示,集成稳压电路一般分为5部分,即交流降压电路、整流电路、滤波电路、稳压电路、保护电路。交流220V电压经电源变压器降压整流得到直流电压Vin,此电压通过滤波电路输入到集成稳压器输入端,在集成稳压器输出端可得到1.25~37V直流电压。工作原理图及各部分电压波形如图2所示。
图1 带有保护的LM317稳定电路
图2 直流稳压电源方框图
下面分析保护电路的工作过程。
1.1 集成稳压器的保护
为获得较高的输出电压值,LM317稳压器的调节端与地之间的电阻R2值及其压降往往较大,在R2两端并接一个小于10μF的电容C3,可有效地抑制输出端的纹波。当输入端或输出端发生短路时,电容C3的放电将在R1上产生冲击电压,会危及稳压器的基准电压电路,因此需在R1两端并二极管D3以保护稳压器。
稳压器的输出端不加电容亦能工作,由于稳压器在1∶1的深度负反馈下工作,当输出端负载为容性的某一值时,稳压器有可能出现自激现象。因此,在稳压器的输入端接入0.1μF的电容C1,输出端接入1000μF的电解电容C5,提供足够的电流供给,同时可以防止可能发生的自激振荡以及减小高频噪声和改善负载的瞬态响应。当输入端发生短路时,C5通过稳压器的调整管放电,C5值较大,则放电时的冲击电流很大,电压会通过稳压器内部的输出晶体管放电,可能造成输出晶体管发射结反向击穿。为此,在稳压器两端并接二极管D2,输入端短路时C5通过D2放电,保护稳压器。
1.2 过流保护
过流保护电路原理见图3,R5为取样小电阻。当电源工作时,稳压器输出端输出正向直流电压,电机开始启动。由于直流电机启动瞬时电流iout较大(约为额定电流的8~10倍),iout流过小电阻R5,并经R4对C4充电。通过设定R4、C4的值,使充电时间Υ大于电机启动时间δ,V2(9013)处于截止状态,电机启动到稳定状态后,电流恢复到工作电流。一旦电机发生短路或堵转,使电容C4两端电压达到V2的导通电压,则V2导通,强制稳压器的输出电压降为基准电压1.25V。
图3 保护电路原理图
2、电路设计
2.1 集成稳压器的选择
在选择集成稳压器时,应该兼顾性能、使用和价格几个方面。性能指标主要根据负载电压电流的大小、调整率的高低以及工作稳定范围的宽窄来选。LM317系列由于其输出电压可调,同时其有较高的稳压精度、较高的纹波抑制比和较好的输出电压温度特性,而得到了广泛的应用。
设电源的输出总功率P0,负载额定电压U0,则输出电流额定值为I0=P0/U0,为了使电路稳定运行,还需要考虑一定的设计余量(一般取10%以上)。LM317系列稳压器主要参数如表1所列,根据计算出的电流值,选择相应的稳压器。
表1 LM317家族主要成员
2.2 整流滤波电路设计桥式整流滤波电路要确定整流二极管以及滤波电容值。
(1)整流二极管的选择
选择二极管要依据二极管的反向耐压VRM和正向电流IF。由于滤波电容的容量愈大,二极管导通角愈小,通过二极管脉冲电流的幅度愈大,因此,整流管的幅值电流必须加以考虑。流过整流管的平均电流ID=Ii/2,Ii=IR2+I0,IR2=IR1+Iadj≈0.01A(式中Ii为稳压器的输入电流,IR1、IR2、Iadj分别为流过R1、R2,以及调整端的电流),则ID=(0.01+I0)/2。考虑到电容充电电流的冲击,正向电流一般取平均电流的2~3倍。
二极管最大反向电压,式中U2为电源变压器次级电压有效值,Ui为整流输出电压(即稳压器输入电压)。为了保证稳压器LM317稳定运行,输入电压Ui与输出电压U0之差一般在5~15V范围,取Ui-U0=1OV,得Udmax=1.2Ui=1.2(U0+10)=12+1.2U0。设计时可考虑一定的余量。
(2)滤波电容设计
滤波电解电容C1的选择原则是:取其放电时间常数RLC1大于充电周期的3~5倍,其耐压值Uc必须大于脉动电压峰值。对于桥式整流电路来说,脉动电压峰值为2U2,C1的充电周期等于交流电源周期T的一半,即式中RL为整流后的等效负载电阻,而RL=Ui/Ii=(10+U0)/(0.0l+I0),代入式中即可确定C1值。 2.3 电源变压器设计
在串联稳压电路中,确定变压器的二次电压很重要。如果为了有富余而把二次电压做得较高,就会增加调整管的损耗,这样得相应地增大散热器。因此,要设计出性能优良的电源,变压器的参数值往往要经过多次调整。参考史献中全面地讲解了电源变压嚣设计的各个要点,本文不再赘述。这里采用近似计算的方法来确定U2和I2。
U2=Ui/1.2=0.83(10+Uo)
I2=(1.5~2)Ii=(1.5~2)×(0.01+Io)
2.4 集成稳压器电路设计
为保证稳压器在空载时也能正常工作.则流过电阻R1的电流不能太小。一般取IR1=5~10mA,故R1=VREF/IR1=1.25/(5~10)×10-3≈120~240Ω,式中VREF为稳压器基准电压。而输出电压U0与VREF、R1、R2有以下关系:
Un=VREF+(IR1+Iadj)R2=(1+R2/R1)VREF+IadjR2
(1)调节电阻R2,即可改变输出电压的大小。由于Iadj很小(只有50μA),所以式(1)可写为Uo=(1+R2/R1)VREF=1.25(1+R2/R1)
(2)由式(2)求得R2=(0.8U0-1)R1。
2.5 保护电路设计
电路中保护二极管的选择比较简单,只要能保证满足反向耐压和冲击电流这两个要求就可以了。而R3的作用主要是限制三极管的基级电流,一般取1~2kΩ。下面谈谈过流保护电路的设计。
(1)启动状态
电机启动时必须满足充电时间Υ大于启动时间δ,V2不导通,电机才能正常启动。由于启动电流很大,一般是额定电流的4~7倍,可看成不变,设为I=5I0。根据图4可知。
图4 保护电路瞬时短路响应
(2)保护状态设电机负荷在额定状态下运行,电机电流I0已经稳定。电机短路或堵转后,电流突然增大到短路电流Is,电容C4开始充电。考虑一定的设计余量,取保护电流设定值IG。
2.6 散热设计稳压器的最大允许功耗取决于芯片的最高结温TjM,当T求得Rθd后,通过查散热片等效热阻与材料厚度和表面积关系的有关手册,可得到表面积的范围。表2列出了几种常用封装形式的热阻。
3、实验结果
在交流供电电压220(1±10%)V,输出额定电压U0=24V,额定功率P0=15W,额定电流I0=0.625A,电机启动时间δ=50ms,允许短路时间ts=500ms,保护电流整定值Ic=2A,最高环境温度TAM=+45℃的条件下。设计出各电路参数见表3。
按表3的设计选取参数组装完毕后,经实验测定达到如下技术指标:
输出特性Un=24V,In=0~1A:
电压稳定度 Sv≤5×10-6;
负载稳定度S1≤5×10-5;
温度系数α≤1×10-5/℃。
电机能正常启动,当电机堵转时,过流保护正常起作用。
表2 几种封装形式的热阻
4、结语综上所述,采用LM317集成稳压器设计的小功率直流电机电源,电路结构简单,效率高,成本低,输出电压性能好,有着很好的应用前景。
转载请说明来自开云官方端网站登录入口(开云app)官方网站:/zixun/dianjibaike263.html
以上内容由开云官方端网站登录入口(开云app)网络编辑部收集整理发布,仅为传播更多电机行业相关资讯及电机相关知识,仅供网友、用户、及广大经销商参考之用,不代表开云官方端网站登录入口同意或默认以上内容的正确性和有效性。读者根据本文内容所进行的任何商业行为,开云官方端网站登录入口不承担任何连带责任。如果以上内容不实或侵犯了您的知识产权,请及时与我们联系,开云官方端网站登录入口网络部将及时予以修正或删除相关信息。
关键词:简易,过流保护,直流电机,电源设计,西玛电机,开云官方端网站登录入口,西安西
分享给小伙伴们:
- 上一篇: 电晕对高压电机的危害。
- 下一篇: 电机风罩的工作原理及其用途。
他们还浏览了...
- 2022-7-3电机风罩的工作原理及其用途。
- 2022-5-14高效节能电机过热原因分析
- 2022-4-17多大功率的电机才需要降压启动?
- 2022-4-10如何看懂电机的型号?
- 2022-4-10电机维修期间应考虑什么?
- 2018-7-27电晕对高压电机的危害。
- 2018-7-26直流电机短路试验方法。
- 2018-7-25直流电机电刷的主要失效机理。
- 2018-7-24线圈质量与高压电机寿命。
- 2018-7-24高压电机绕组槽部电晕的电腐蚀的起因及其防范。
行业资讯
电机风罩的工作原理及其用途。
高压电机轴磨损维修的详细流程
三相异步电动机安装步骤以及西玛电机的故障检查
西玛电机接线中最常见的几种错误
绿色发展可以帮助电机厂家解决利润问题
高效节能电机过热原因分析
需要更换高效节能的电机的必要性分析!
西安西玛电机频率和速度之间的数学关系
高压电机轴磨损维修的详细流程
三相异步电动机安装步骤以及西玛电机的故障检查
西玛电机接线中最常见的几种错误
绿色发展可以帮助电机厂家解决利润问题
高效节能电机过热原因分析
需要更换高效节能的电机的必要性分析!
西安西玛电机频率和速度之间的数学关系
西安西玛电机举办“迎国庆”员工趣味运动项目比
关于西安西玛电机的工作制,大家了解一下。
西安西玛电机工会庆祝3月8日的评选颁奖活动。
西安西玛电机向在抗击疫情前线的工作人员们致敬
西安西玛电机职工安全生产知识宣传教育工作全面
开云官方端网站登录入口亮相第27届中国西部国际装备
开云官方端网站登录入口将高效节能三相异步电动机作为
西安西玛电机始终坚持诚信销售的理念。
关于西安西玛电机的工作制,大家了解一下。
西安西玛电机工会庆祝3月8日的评选颁奖活动。
西安西玛电机向在抗击疫情前线的工作人员们致敬
西安西玛电机职工安全生产知识宣传教育工作全面
开云官方端网站登录入口亮相第27届中国西部国际装备
开云官方端网站登录入口将高效节能三相异步电动机作为
西安西玛电机始终坚持诚信销售的理念。
泰富西玛电机
配套电柜
电机配件
YKK系列高压三相异步电机西安泰富西玛YKK系列(H355-1000)高压三相异步电机可作驱动
Y2系列紧凑型高压异步电机西安泰富西玛Y2系列(H355-560)6KV紧凑型高压异步电机可
YE3系列高效节能电机开云官方端网站登录入口生产的YE3系列高效节能电机达到了国标二级能效标准,
Z4系列直流电机西安泰富西玛Z4系列直流电动机比Z2、Z3系列具有更大的优越性,它不
Z2系列小型直流电机西安泰富西玛Z2系列电机为一般工业用小型直流电机,其电动机适用于恒功
ZTP型铁路机车动车用直流辅助西安泰富西玛ZTP系列西玛电机应能满足铁路机车动车用直流辅助电机通用



西安西玛电机紧跟电机行业的发展趋势,了解电机市场动态,制定出西玛电机的发展规划,稳步前行。
随着国家节能减排的积极推行,新能源汽车产业快速增长及高效节能电机补贴政策的逐步落实,高效节能电机业将迎来爆发式的增长。
西玛电机售后维修业务有:轴料加工件、钢板切割、焊接件、高压机壳、冷却器、上下罩、高、低压交直流电机;国内、外电机的修理、维护和试验。
质量为本,用户至上”是我公司一贯宗旨。“诚心、贴心、倾心、西玛永远用心”的“三心”服务理念。
开云官方端网站登录入口(开云app)是国内九大的电机供应商之一,产品包括各种高低压、交直流、高压同步电机等。





















