变频器对于电机的损伤浅析。
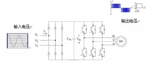
内容简介:要了解工频电机在变频器驱动条件下更容易损坏的机理,首先了解变频器驱动电机的电压与工频电压有什么区别。然后再了解这种差别是如何对电机产生不良影响的。变频器的基本构造如图2所示,包括整流电路与逆变电路两部分。
变频器对电机的损伤包括两个方面,定子绕组的损伤和轴承的损伤,如图1所示。这种损伤一般发生在几周至十几个月内,具体时间与变频器的品牌、电机的品牌、电机的功率、变频器的载波频率、变频器与电机之间的电缆长度、环境温度等诸多因素有关。电机的早期意外损坏给企业的生产带来巨大的经济损失。这种损失不仅是电机维修和更换带来的费用,更主要的是意外停产带来的经济损失。因此,在使用变频器驱动电机时,必须对电机损伤的问题有足够的重视。
变频器驱动与工频驱动的区别:
要了解工频电机在变频器驱动条件下更容易损坏的机理,首先了解变频器驱动电机的电压与工频电压有什么区别。然后再了解这种差别是如何对电机产生不良影响的。
变频器的基本构造如图2所示,包括整流电路与逆变电路两部分。整流电路为普通二极管与滤波电容构成的直流电压输出电路,逆变电路将直流电压变换成脉宽调制的电压波形(PWM电压)。因此,变频器驱动电机的电压波形是脉宽变化的脉冲波形,而不是正弦波电压波形。用脉冲电压驱动电机就是导致电机容易损坏的根本原因。
变频器损伤电机定子绕组的机理:
脉冲电压在电缆上传输时,如果电缆的阻抗与负载的阻抗不匹配,在负载端会产生反射。反射的结果是,入射波与反射波叠加,形成更高的电压,它的幅度最大可以达到直流母线电压的2倍,大约相当于变频器输入电压的3倍,如图3所示。过高的尖峰电压加在电机定子的线圈上,对线圈造成电压冲击,频繁的过电压冲击会导致电机过早失效。
变频器驱动的电机受到尖峰电压的冲击后,它的实际寿命与很多因素,包括,温度、污染、振动、电压、载波频率以及线圈绝缘的工艺等因素有关。
变频器的载波频率越高,输出电流波形越接近正弦波,这会降低电机的运行温度,从而延长绝缘的寿命。但是,更高的载波频率意味着每秒钟产生的尖峰电压数量更多,对电机的冲击的次数更多。图4给出了绝缘寿命随着电缆长度与载波频率的变化。从图中可知,对于200英尺长的电缆,当载波频率从3kHz提高到12kHz(变化4倍)时,绝缘的寿命从大约8万小时降低到2万小时(相差4倍)。
载波频率对绝缘的影响
电机的温度越高,绝缘的寿命越短,如图5所示,当温度升高到75度时,电机的寿命只有50%。变频器驱动的电机,由于PWM电压包含较多的高频成份,电机温度会远高于工频电压驱动的情况。
变频器损伤电机轴承的机理:
变频器损伤电机轴承的原因是,有流过轴承的电流,并且这种电流处于断续连通的状态,断续连通的电路会产生电弧,电弧烧毁了轴承。
导致交流电机的轴承中流过电流的原因主要有两个,第一,内部电磁场不平衡产生的感应电压,第二,杂散电容引起的高频电流通路。
理想交流感应电机内部的磁场是对称的,当三相绕组的电流相等,并且相位相差120?时,不会在电机的轴杆上感应出电压。变频器输出的PWM电压导致电机内部的磁场不对称时,就会在轴杆上感应出电压,电压的幅度在10~30V,这与驱动电压有关,驱动电压越高,轴杆上的电压越高。当这个电压的数值超过轴承中的润滑油的绝缘强度时,就会形成一个电流通路。轴杆旋转过程中,在某个时刻,润滑油的绝缘又阻断了电流。这个过程类似于机械式开关的通断过程,这个过程中会产生电弧,烧蚀轴杆、滚珠、轴碗的表面,形成凹坑。如果没有外部振动,小凹坑不会产生过大的影响,但是如果有外部振动时,会产生凹槽,这对电机的运转影响很大。
另外,实验表明,轴杆上的电压还与变频器输出电压的基波频率有关,基波频率越低,轴杆上的电压越高,轴承损伤越严重。
在马达工作的初期,润滑油温度较低的时候,电流幅度在5-200mA,这么小的电流不会对轴承产生任何损坏。但是,当马达运行一段时间后,随着润滑油温度升高,峰值电流会达到5-10A,这会产生飞弧,在轴承部件的表面形成小坑。
电机电子绕组的保护:
当电缆的长度超过30米时,现代变频器必然会在电机端产生尖峰电压,缩短电机的寿命。防止电机出现损伤,有两个思路,一个是采用绕组绝缘抗电强度更高的电机(一般称为变频电机),另一个是采取措施减小尖峰电压。前一种措施适合于新建的项目,后一种措施适合于对已有的电机进行改造。
目前常用的电机保护方法有以下四种:
1)在变频器的输出端安装电抗器:这个措施最常用,但是需要注意的是,这个方法对于较短的电缆(30米以下)有一定效果,但是有时效果不够理想,如图6(c)所示。
2)在变频器的输出端安装dv/dt滤波器:这个措施适用于电缆长度小于300米的场合,价格略高于电抗器,但是效果有了明显的改善。
3)在变频器的输出端安装正弦波滤波器:这个措施是最理想的。因为在这里,将PWM脉冲电压变成了正弦波电压,是电机工作在与工频电压相同的条件下,尖峰电压的问题得到了彻底的解决(电缆再长,也不会出现尖峰电压了)。
4)在电缆与电机接口的位置安装尖峰电压吸收器:前面几个措施的缺点是当电机的功率较大时,电抗器或滤波器的体积、重量很大,价格较高,另外,电抗器和滤波器都会导致一定的电压降,影响电机的输出力矩,采用变频器尖峰电压吸收器能够克服这些缺点。
电动机受损还有负载方面的原因
(1)电动机长时间过负载运行。
(2)电动机启动于频繁,启动时间过长或者启动间隔时间太短。
(3)被拖动机械故障,使电动机出力增大,或被卡住不转或转速急剧下降,使电动机电流猛增而过热。
(4)电动机的工作制式和负载工作制不匹配,例如短时周期工作制的电动机用于带动连续长期工作的负载。
其它还有的都不是很常见的原因,如:电压过低或过高,震动造成接线柱松脱相间短路,虫鼠危害、进口电机电压与国内电压不配合(如日本电机)。各种减压起动回路故障造成不转换,电机长时间低压工作等。
电动机烧损的检修方法:电动机更换绕组线圈,浸绝缘漆后进行干燥烘干处理;更换轴承;整修转子铁芯。
变频器损伤电机轴承的机理
有流过轴承的电流,并且这种电流处于断续连通的状态,断续连通的电路会产生电弧,电弧烧毁了轴承。
导致交流电机的轴承中流过电流的原因主要有两个,第一,内部电磁场不平衡产生的感应电压,第二,杂散电容引起的高频电流通路。
理想交流感应电机内部的磁场是对称的,当三相绕组的电流相等,并且相位相差120时,不会在电机的轴杆上感应出电压。变频器输出的PWM电压导致电机内部的磁场不对称时,就会在轴杆上感应出电压,电压的幅度在10~30V,这与驱动电压有关,驱动电压越高,轴杆上的电压越高。当这个电压的数值超过轴承中的润滑油的绝缘强度时,就会形成一个电流通路。轴杆旋转过程中,在某个时刻,润滑油的绝缘又阻断了电流。这个过程类似于机械式开关的通断过程,这个过程中会产生电弧,烧蚀轴杆、滚珠、轴碗的表面,形成凹坑。如果没有外部振动,小凹坑不会产生过大的影响,但是如果有外部振动时,会产生凹槽,这对电机的运转影响很大。
另外,实验表明,轴杆上的电压还与变频器输出电压的基波频率有关,基波频率越低,轴杆上的电压越高,轴承损伤越严重。
在马达工作的初期,润滑油温度较低的时候,电流幅度在5-200mA,这么小的电流不会对轴承产生任何损坏。但是,当马达运行一段时间后,随着润滑油温度升高,峰值电流会达到5-10A,这会产生飞弧,在轴承部件的表面形成小坑。
转载请说明来自开云官方端网站登录入口(开云app)官方网站:/zixun/weixiubaoyang214.html
变频器驱动与工频驱动的区别:
要了解工频电机在变频器驱动条件下更容易损坏的机理,首先了解变频器驱动电机的电压与工频电压有什么区别。然后再了解这种差别是如何对电机产生不良影响的。
变频器的基本构造如图2所示,包括整流电路与逆变电路两部分。整流电路为普通二极管与滤波电容构成的直流电压输出电路,逆变电路将直流电压变换成脉宽调制的电压波形(PWM电压)。因此,变频器驱动电机的电压波形是脉宽变化的脉冲波形,而不是正弦波电压波形。用脉冲电压驱动电机就是导致电机容易损坏的根本原因。
变频器损伤电机定子绕组的机理:
脉冲电压在电缆上传输时,如果电缆的阻抗与负载的阻抗不匹配,在负载端会产生反射。反射的结果是,入射波与反射波叠加,形成更高的电压,它的幅度最大可以达到直流母线电压的2倍,大约相当于变频器输入电压的3倍,如图3所示。过高的尖峰电压加在电机定子的线圈上,对线圈造成电压冲击,频繁的过电压冲击会导致电机过早失效。
变频器驱动的电机受到尖峰电压的冲击后,它的实际寿命与很多因素,包括,温度、污染、振动、电压、载波频率以及线圈绝缘的工艺等因素有关。
变频器的载波频率越高,输出电流波形越接近正弦波,这会降低电机的运行温度,从而延长绝缘的寿命。但是,更高的载波频率意味着每秒钟产生的尖峰电压数量更多,对电机的冲击的次数更多。图4给出了绝缘寿命随着电缆长度与载波频率的变化。从图中可知,对于200英尺长的电缆,当载波频率从3kHz提高到12kHz(变化4倍)时,绝缘的寿命从大约8万小时降低到2万小时(相差4倍)。
载波频率对绝缘的影响
电机的温度越高,绝缘的寿命越短,如图5所示,当温度升高到75度时,电机的寿命只有50%。变频器驱动的电机,由于PWM电压包含较多的高频成份,电机温度会远高于工频电压驱动的情况。
变频器损伤电机轴承的机理:
变频器损伤电机轴承的原因是,有流过轴承的电流,并且这种电流处于断续连通的状态,断续连通的电路会产生电弧,电弧烧毁了轴承。
导致交流电机的轴承中流过电流的原因主要有两个,第一,内部电磁场不平衡产生的感应电压,第二,杂散电容引起的高频电流通路。
理想交流感应电机内部的磁场是对称的,当三相绕组的电流相等,并且相位相差120?时,不会在电机的轴杆上感应出电压。变频器输出的PWM电压导致电机内部的磁场不对称时,就会在轴杆上感应出电压,电压的幅度在10~30V,这与驱动电压有关,驱动电压越高,轴杆上的电压越高。当这个电压的数值超过轴承中的润滑油的绝缘强度时,就会形成一个电流通路。轴杆旋转过程中,在某个时刻,润滑油的绝缘又阻断了电流。这个过程类似于机械式开关的通断过程,这个过程中会产生电弧,烧蚀轴杆、滚珠、轴碗的表面,形成凹坑。如果没有外部振动,小凹坑不会产生过大的影响,但是如果有外部振动时,会产生凹槽,这对电机的运转影响很大。
另外,实验表明,轴杆上的电压还与变频器输出电压的基波频率有关,基波频率越低,轴杆上的电压越高,轴承损伤越严重。
在马达工作的初期,润滑油温度较低的时候,电流幅度在5-200mA,这么小的电流不会对轴承产生任何损坏。但是,当马达运行一段时间后,随着润滑油温度升高,峰值电流会达到5-10A,这会产生飞弧,在轴承部件的表面形成小坑。
电机电子绕组的保护:
当电缆的长度超过30米时,现代变频器必然会在电机端产生尖峰电压,缩短电机的寿命。防止电机出现损伤,有两个思路,一个是采用绕组绝缘抗电强度更高的电机(一般称为变频电机),另一个是采取措施减小尖峰电压。前一种措施适合于新建的项目,后一种措施适合于对已有的电机进行改造。
目前常用的电机保护方法有以下四种:
1)在变频器的输出端安装电抗器:这个措施最常用,但是需要注意的是,这个方法对于较短的电缆(30米以下)有一定效果,但是有时效果不够理想,如图6(c)所示。
2)在变频器的输出端安装dv/dt滤波器:这个措施适用于电缆长度小于300米的场合,价格略高于电抗器,但是效果有了明显的改善。
3)在变频器的输出端安装正弦波滤波器:这个措施是最理想的。因为在这里,将PWM脉冲电压变成了正弦波电压,是电机工作在与工频电压相同的条件下,尖峰电压的问题得到了彻底的解决(电缆再长,也不会出现尖峰电压了)。
4)在电缆与电机接口的位置安装尖峰电压吸收器:前面几个措施的缺点是当电机的功率较大时,电抗器或滤波器的体积、重量很大,价格较高,另外,电抗器和滤波器都会导致一定的电压降,影响电机的输出力矩,采用变频器尖峰电压吸收器能够克服这些缺点。
电动机受损还有负载方面的原因
(1)电动机长时间过负载运行。
(2)电动机启动于频繁,启动时间过长或者启动间隔时间太短。
(3)被拖动机械故障,使电动机出力增大,或被卡住不转或转速急剧下降,使电动机电流猛增而过热。
(4)电动机的工作制式和负载工作制不匹配,例如短时周期工作制的电动机用于带动连续长期工作的负载。
其它还有的都不是很常见的原因,如:电压过低或过高,震动造成接线柱松脱相间短路,虫鼠危害、进口电机电压与国内电压不配合(如日本电机)。各种减压起动回路故障造成不转换,电机长时间低压工作等。
电动机烧损的检修方法:电动机更换绕组线圈,浸绝缘漆后进行干燥烘干处理;更换轴承;整修转子铁芯。
变频器损伤电机轴承的机理
有流过轴承的电流,并且这种电流处于断续连通的状态,断续连通的电路会产生电弧,电弧烧毁了轴承。
导致交流电机的轴承中流过电流的原因主要有两个,第一,内部电磁场不平衡产生的感应电压,第二,杂散电容引起的高频电流通路。
理想交流感应电机内部的磁场是对称的,当三相绕组的电流相等,并且相位相差120时,不会在电机的轴杆上感应出电压。变频器输出的PWM电压导致电机内部的磁场不对称时,就会在轴杆上感应出电压,电压的幅度在10~30V,这与驱动电压有关,驱动电压越高,轴杆上的电压越高。当这个电压的数值超过轴承中的润滑油的绝缘强度时,就会形成一个电流通路。轴杆旋转过程中,在某个时刻,润滑油的绝缘又阻断了电流。这个过程类似于机械式开关的通断过程,这个过程中会产生电弧,烧蚀轴杆、滚珠、轴碗的表面,形成凹坑。如果没有外部振动,小凹坑不会产生过大的影响,但是如果有外部振动时,会产生凹槽,这对电机的运转影响很大。
另外,实验表明,轴杆上的电压还与变频器输出电压的基波频率有关,基波频率越低,轴杆上的电压越高,轴承损伤越严重。
在马达工作的初期,润滑油温度较低的时候,电流幅度在5-200mA,这么小的电流不会对轴承产生任何损坏。但是,当马达运行一段时间后,随着润滑油温度升高,峰值电流会达到5-10A,这会产生飞弧,在轴承部件的表面形成小坑。
转载请说明来自开云官方端网站登录入口(开云app)官方网站:/zixun/weixiubaoyang214.html
以上内容由开云官方端网站登录入口(开云app)网络编辑部收集整理发布,仅为传播更多电机行业相关资讯及电机相关知识,仅供网友、用户、及广大经销商参考之用,不代表开云官方端网站登录入口同意或默认以上内容的正确性和有效性。读者根据本文内容所进行的任何商业行为,开云官方端网站登录入口不承担任何连带责任。如果以上内容不实或侵犯了您的知识产权,请及时与我们联系,开云官方端网站登录入口网络部将及时予以修正或删除相关信息。
关键词:变频器,电机,损伤,西玛电机,开云官方端网站登录入口,西安西玛电机,西玛集团
分享给小伙伴们:
- 上一篇: 电机常用的传感器总结。
- 下一篇: 高压电机轴磨损维修的详细流程
他们还浏览了...
- 2022-6-19高压电机轴磨损维修的详细流程
- 2022-6-4三相异步电动机安装步骤以及西玛电机的故障检查方法
- 2022-5-29西玛电机接线中最常见的几种错误
- 2022-5-8西安西玛电机频率和速度之间的数学关系
- 2022-5-8三相异步电动机的正确接线方法及故障分析
- 2018-5-23电机常用的传感器总结。
- 2018-5-22高压电机降低了表面的放电电压。
- 2018-5-18直流电机火花很大的主要原因。
- 2018-5-18电机接触电流要求和检测。
- 2018-5-15大型电机轴承座的清洁与清洗。
行业资讯
电机风罩的工作原理及其用途。
高压电机轴磨损维修的详细流程
三相异步电动机安装步骤以及西玛电机的故障检查
西玛电机接线中最常见的几种错误
绿色发展可以帮助电机厂家解决利润问题
高效节能电机过热原因分析
需要更换高效节能的电机的必要性分析!
西安西玛电机频率和速度之间的数学关系
高压电机轴磨损维修的详细流程
三相异步电动机安装步骤以及西玛电机的故障检查
西玛电机接线中最常见的几种错误
绿色发展可以帮助电机厂家解决利润问题
高效节能电机过热原因分析
需要更换高效节能的电机的必要性分析!
西安西玛电机频率和速度之间的数学关系
西安西玛电机举办“迎国庆”员工趣味运动项目比
关于西安西玛电机的工作制,大家了解一下。
西安西玛电机工会庆祝3月8日的评选颁奖活动。
西安西玛电机向在抗击疫情前线的工作人员们致敬
西安西玛电机职工安全生产知识宣传教育工作全面
开云官方端网站登录入口亮相第27届中国西部国际装备
开云官方端网站登录入口将高效节能三相异步电动机作为
西安西玛电机始终坚持诚信销售的理念。
关于西安西玛电机的工作制,大家了解一下。
西安西玛电机工会庆祝3月8日的评选颁奖活动。
西安西玛电机向在抗击疫情前线的工作人员们致敬
西安西玛电机职工安全生产知识宣传教育工作全面
开云官方端网站登录入口亮相第27届中国西部国际装备
开云官方端网站登录入口将高效节能三相异步电动机作为
西安西玛电机始终坚持诚信销售的理念。
泰富西玛电机
配套电柜
电机配件
YKK系列高压三相异步电机西安泰富西玛YKK系列(H355-1000)高压三相异步电机可作驱动
Y2系列紧凑型高压异步电机西安泰富西玛Y2系列(H355-560)6KV紧凑型高压异步电机可
YE3系列高效节能电机开云官方端网站登录入口生产的YE3系列高效节能电机达到了国标二级能效标准,
Z4系列直流电机西安泰富西玛Z4系列直流电动机比Z2、Z3系列具有更大的优越性,它不
Z2系列小型直流电机西安泰富西玛Z2系列电机为一般工业用小型直流电机,其电动机适用于恒功
ZTP型铁路机车动车用直流辅助西安泰富西玛ZTP系列西玛电机应能满足铁路机车动车用直流辅助电机通用



西安西玛电机紧跟电机行业的发展趋势,了解电机市场动态,制定出西玛电机的发展规划,稳步前行。
随着国家节能减排的积极推行,新能源汽车产业快速增长及高效节能电机补贴政策的逐步落实,高效节能电机业将迎来爆发式的增长。
西玛电机售后维修业务有:轴料加工件、钢板切割、焊接件、高压机壳、冷却器、上下罩、高、低压交直流电机;国内、外电机的修理、维护和试验。
质量为本,用户至上”是我公司一贯宗旨。“诚心、贴心、倾心、西玛永远用心”的“三心”服务理念。
开云官方端网站登录入口(开云app)是国内九大的电机供应商之一,产品包括各种高低压、交直流、高压同步电机等。


















